Description
Démonte-pneus pour camion INVENTO TCS 626 : votre outil idéal pour l’entretien des pneus de camion
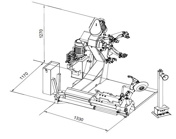
L’INVENTO TCS 626 est un démonte-pneus professionnel pour camion de la gamme INVENTO SILVER LINE . Conçu pour un entretien efficace des pneus des camions, bus et autres véhicules utilitaires , il allie parfaitement prix abordable et fonctionnalité . Ses solutions technologiques avancées et sa conception robuste en font l’outil idéal pour les ateliers automobiles exigeant fiabilité et précision .
- Adapté aux roues de camions, d’autobus et d’utilitaires .
- Prend en charge les roues d’un diamètre de 14″ à 26″ et d’une largeur maximale jusqu’à 1000 mm .
- Diamètre maximal de la roue : 1600 mm .
- Poids maximal de la roue : 1500 kg .
- La construction avec des matériaux de haute qualité assure durabilité et résistance à une utilisation intensive.
- Une base stable qui rigidifie la structure élimine le besoin d’ancrer la machine au sol.
- La puissance du détalonneur de 1900 kg vous permet de travailler même avec des pneus difficiles.
- Le bras levé manuellement et le disque tourné manuellement assurent des opérations de montage et de démontage des pneus précises et rapides.
- Le panneau de commande intuitif permet une utilisation facile de toutes les fonctions de l’appareil.
- Equipé d’un système de sécurité qui protège à la fois l’utilisateur et la roue des dommages pendant le fonctionnement.
- Un prix attractif associé à des performances élevées font de l’INVENTO TCS 626 un excellent investissement pour les ateliers automobiles.
- Démonte-pneus électrohydraulique économique pour camions, bus et tracteurs
- Moteur électrique et entraînement hydraulique ultra-résistants pour un couple supérieur et un serrage puissant des roues.
- Mandrin de serrage hydraulique autocentrant
- Mâchoires écarteuses pour un serrage sûr des jantes
- Bras de montage/démontage à positionnement et verrouillage rapides
- Chariot coulissant hydraulique pour le positionnement de la tête d’outil pour le détalonnage, le montage et le démontage
- Châssis monobloc pour une résistance et une rigidité maximales
- Console de commande à distance portable pour une utilisation et un contrôle sécurisés de la machine
- Convient aux jantes en alliage
- Gamme complète d’accessoires, de pièces détachées et de consommables disponibles
– Puissance moteur – Pompe : 1,1 kW / 1,5 ch
– Puissance moteur – Boîte de vitesses : 1,5 kW / 2,4 ch
– Plage de serrage des jantes : 14″-26″
– Diamètre maximal de la roue : 1 500 mm
– Largeur maximale de la roue : 1 000 mm
– Poids maximal de la roue : 1 000 kg
– Force de détalonnage : 1 100 kgf / 11 kN
– Pression hydraulique de service : 50 – 130 bars
– Dimensions : 2 180 l x 2 100 p x 1 200 h
– Poids : 560 kg
– Alimentation : 380v
INVENTO TCS 626 est parfait pour :
- Services spécialisés dans l’entretien des camions et des autobus .
- Ateliers de grande et petite taille qui recherchent du matériel solide et efficace.
Équipement standard :
Petit & grand levier de montage, Brosse, Sans huile hydraulique
Pourquoi choisir INVENTO TCS 626 ?
Le démonte-pneus INVENTO TCS 626 allie parfaitement fonctionnalité et économie , conçu pour les utilisateurs exigeants. Sa conception robuste, ses fonctionnalités avancées et sa simplicité d’utilisation améliorent l’efficacité et la qualité du travail dans les ateliers automobiles.
Investissez dans INVENTO TCS 626 et améliorez le fonctionnement de votre service de pneus dès aujourd’hui !























